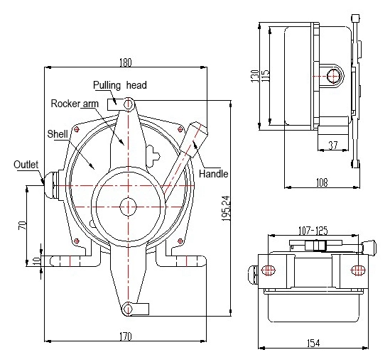
Stainless Steel Pull Cord Switch
Working principle :
When an emergency occurs at the belt transport site, pull the wire rope tied to the lifting lug to make the slider and switch in the machine function and send out a stop signal. Release the wire rope and press the reset bar before the reset.
Installation and use :
The switch is balanced on the fixing bracket of the frame;
Tie the wire rope to the pull rings at each end, not exceeding 30 metres on each side (to be shortened if there is a gradient);
The rope pressure should be suitable to ensure the reliable reset of the switch;
The pulling rope is arranged in the parallel direction of the tape, and a lifting ring is added every 3 meters;
Technical indicators :
| Item | Parameters |
| Model | Stainless Steel Pull Cord Switch |
| Ambient temperature | -30℃ - +60℃ |
| Relative humidity | ≥85% |
| Angle of action | 30° |
| Limit Angle | 75° |
| Action force | 10 KG |
| Number of contacts | 1NO 1NC / 2NO 2NC |
| Reset mode | Manual reset / Automatic reset |
| Contact capacity | AC/DC 24-380V |
| Reliability | >10^6 times |

- ← Previous:Manual Automatic Integrated Pull Cord Switch
- Pull Wire Switch :Next →
Zhejiang Weikesen Power Technology Co.,Ltd.
