Under-Speed Switches QS-II
Working principle:
The under-speed slip switch is designed to detect the rotational speed of the belt machine tail pulley, and the switch
has no contact with the tail shaft. When the tail shaft rotates with the running of the tape machine and drives the sensing piece,
the sensing signal occurring between the sensing piece and the detector is input to the control circuit. After amplification and shaping,
it is counted, and its count value is compared with the preset number, so as to judge the speed of the tape, both: when it reaches lower
than the skidding speed, the execution circuit outputs the corresponding switch signal to stop the main machine. This switch can adjust the speed value.
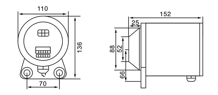
Installation and use:
The under-speed slip switch is installed on the side of the conveyor driven wheel or other shaft that can equal the actual tape running speed, the
driven wheel or the side of the shaft needs to be welded with an inductive surface for the under-speed slip switch (the inductive surface must be made of iron),
the cross-sectional size of the inductive surface is not less than 50mm* 50mm. the maximum distance between the under-speed slip switch and the inductive
surface is 25mm. The inductor surface provides a pulse signal for the under-speed slip switch, and the driven wheel rotates once through the under-speed slip
switch area to generate a pulse sianal. When a pulse is generated.the pulse indicator on the underslip switch panel flashes once. It is important to ensure that
there are no metal objects on the side of the driven pulley, other than the sensing surface, that could cause the underslip switch to generate a pulse signal.
When an object or torn belt hangs down and sweeps down to the aerial wire rope, the aerial wire rope pulls on the tear switch pull ring causing it to actuate
and the tear switch signals an alarm or shutdown.
Seeting:
First press BET key to show digital flashing, then press ◀▼ key to show: 1, 2, 3.
Press the BET key again to show the digital flashing, then press the ◀▼ key to adjust the value of slipping, and then press the BET key to set successfully.
Technical indicators:
| ltem | Parameters |
| Model | Under-Speed Switches QS-II |
| Ambient temperature | -20℃-+70℃ |
| Rotation speed | 30-100 Rev/min |
| Detection distance | Max. Sn:20mm |
| Start-up delay | About 10 sec |
| Working voltage | AC220V Accept customize |
| Numbers of contacts | 1NO1NC |

- ← Previous:Non- contact Under-Speed Switches QS
- EX-Non- contact Under-Speed Switches QS :Next →
Zhejiang Weikesen Power Technology Co.,Ltd.
